www.webx.dk Start page

OZ2CPU Radioamateur mainpage

Homemade electronics Stuff old and new

DC electronic Load 1000V 1A 1000Watt DIY Arduino Project
Foreword : My normal DC loads from Siglent dont handle voltages over 150V,
I work more and more with higher voltages, tubes and such,
so i really need a DC load that will handle at least 500V.
it makes good sense to make a new one with plenty of mergin, that is why this one handle 1kV.

The case donor, old instrument no one wanted to use for the last 20 years,
Video about the battery charger : https://youtu.be/wLncCwBgr4g
case super nice and very easy to reuse, also it contained the needed heatsink with fan.

The heatsink with 3 standard case sizes :
TO-264 TO-247 TO-220, I was playing with different ideas for size and power to start with

What kind of thermal pads have we stocked ??

The Alu frame case needed to be cut down, so its new size will fit my "normal" width instruments.

First Display Alive test, need to move text positions a bit, and handle update speeds.

Rear plate, Front plate, and Display holding parts 3D own design, PETG for higher temperatures.

First current regulate test, it works.. yay

Current calibrated, Voltage Calibrated, and fan speed temperature regulator

Here is 60V input, and a little bit voltage drop in my cables, and 1V resolution
so the readout say 59, that is just how it is. not the most amazing resolution at low voltage

Final unit.

just added rubber feet too.
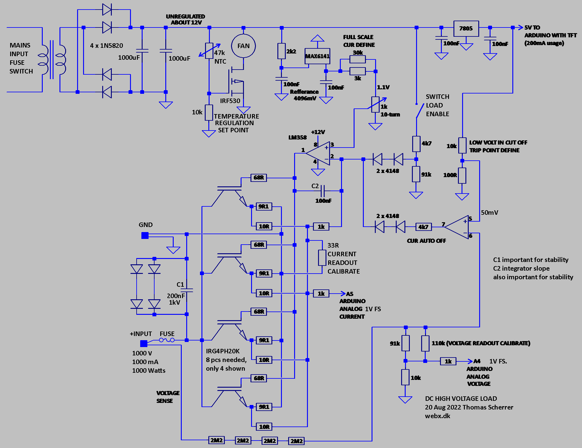
The schematic:

The 4 reverse protection diodes are 1N5406 600V 3A
I used 8 x IRG4PH20K matched IGBT's,
but you can use this design idea with what ever you like.
Depending on voltage, current, watt range you need to achive.
MOSFETS are super fine too, even NPN in case your opamp can drive them.
YOUTUBE VIDEO
RELEASE DATE SOON
Arduino Project
Ino file is Available upon request
But i can reveal the wait time is used to filter analog read
and each digit is handeled individually, and only updated if change
this way the display run smooth and fast on a slow-mo Arduino.
STL FILES
Available upon request
but i dont see anyone could reuse them, since this is a one off super old reused case.
-----------------------------
Thomas Scherrer OZ2CPU 2022
If you found this page usefull, why not consider donate a bit.. see my contact page please.