www.webx.dk Start page

OZ2CPU Radioamateur mainpage

Homemade electronics Stuff old and new

Standard Power SPS 220-24 M2564 Power Supply full teardown pictures schematic

psu top

SPS 220-24 name plate

psu top

psu top

pcb top details wires

top details

top details 2

pcb top no wires

heatsink alle wires

pcb bottom details

power transistors back pinout, OLD type of RCA NPN,
you can offcourse 2N3055 for replacement since it is fully pin and function compatible.
(I suggest to replace all paralleled transistors to same brand and type if one original is defective)

power transistor original RCA type number 109575-00 date code 1986 week 32
I was not able to look this one up online. But I double checked its performance to be similar to 2N3055

power transistor driver

power transistor driver closeup

power transistors

power transistors on heatsink

PCB top scanned

PCB bottom scanned

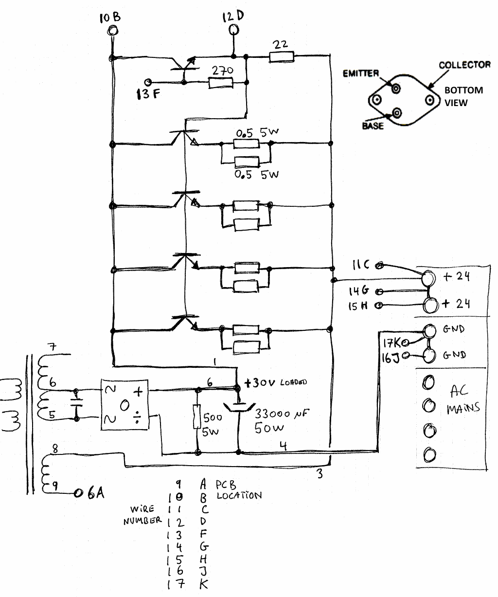
Schematic of SPS 220-24 heatsink parts

Schematic of SPS 220-24 controller PCB
NOTE : this is a FOLDBACK over current protection system. it will shut down when over current, set point by R6
IF a Constant Current limitor is wanted: connect C2 GND, and Q5-E and C5 GND to K
R10 top side connect to C2 + side, this will keep refferance voltage stable while overloaded.

Screw Terminals

Mains Voltage selector

Transformator numbers

Wires back side of terminals
-----------------------------
Thomas Scherrer OZ2CPU 2015
If you found this page usefull, why not consider donate a bit.. see my contact page please.