
The datasheet says this VCO covers 300 to 500 Mhz,
in this test setup with one coil it covers 350 to 475 Mhz with the controlling voltage.
The output should be about -10dBm, but it's -20dBm
The stability and sideband noice was not good enough for my HAM radio project, sorry..
But I'm sure it will be perfect to be used with a PLL

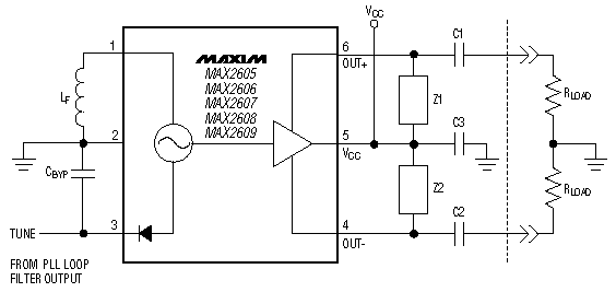
Here is a schematic from the datasheet
This part has 158 transistors inside, and is about a SOT-23 in size !!