www.webx.dk Start page
![]()
OZ2CPU Radioamateur mainpage
![]()
Homemade Radio Electronics
![]()
Atmel Mega88 Temperatur meter LED 3 digits
This project is made over a one week period of time, together with Thomas and Martin 9th grade.
Design goal: to make a good accurate temperature meter
Display one temperature sensor on the LED display from -40 to +99.9C

First we made the schematic on the whiteboard, we made minor changes and added a few things later.

The pin out of the Microcontroller is important to know, the ports and what pin and so on.

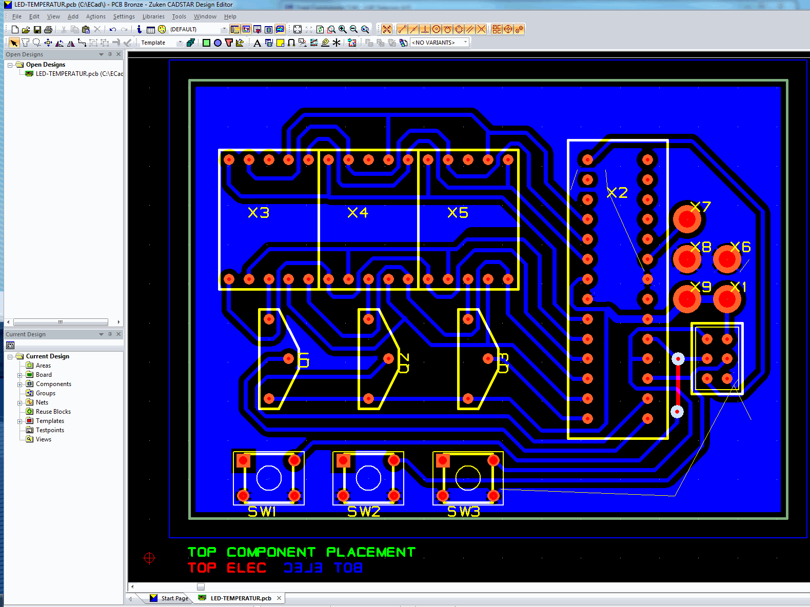
Then we made a circuit board layout, only one layer needed, we got plenty of board space.
we printed it out, and etched and drilled and soldered.

Here the board with all components mounted.
Things Learned:
Simple Electronics design with microcontroller, C programming, Debugging, Logging, data calculation and post filtering using excel,
LM60 analog sensor, floating point calculations and digital running avarage filter
Schematics, Printed circuit boards, soldering, power supply, heat, time constants, sensing.
We managed our goals all extra tasks compleeted and working, two units where made.
software is here, source code and HEX file: 15soft.zip
8MHz internal, no divide. (you need avr studio with gcc to compile it)

case making, drilling and the fine art of how to file a hole, was learned too.
Oct. 2015 OZ2CPU