www.webx.dk Start page

OZ2CPU Radioamateur mainpage

Homemade electronics Stuff old and new

UPS inverter battery backup pure sine

3 types of output from common UPS systems, the most expensive is offcourse the SINEWAVE type
it is also the type that can drive ANY type of load no matter what, since it looks like the "real" thing from the mains plug
and that is exactly why we only want to make that type.

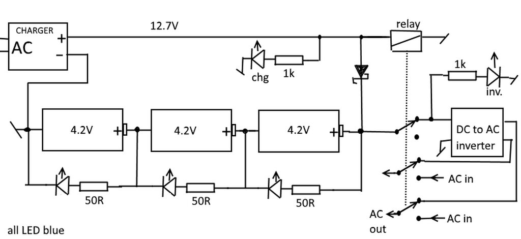
Main circuit idea, note the LED and resistors in parallel with the 3 cells, are for cell voltage balance
12 V lead-acid or lithium cells can be used, design must work from 10-14 volts.

The relation from PEAK voltage, to RMS voltage is important to know
peak voltage is 1.4 times RMS. Since we need about 220 to 230 V RMS out of this unit at 50Hz
we use a stepup transformator, and in this case we need an "overdrive" voltage of about 1.4 times rated voltage
more about the transformator issues later. This is an important problem.


close up of FET drivers. Circuit actually works, however fet gatecharge is a problem if large fets are used
and also this circuit used N and P fets, not the way to go for bigger scale, then only N fets must be used, and better FET drivers.
----

Driving a 50Hz mains transformator reversed as step up, with a PWM (switchmode) audio amplifier
Really a simple idea, compleete circiut board from ebay is a few bucks, so it must be tried.

Smart way they handle their bridged outputs, only one side switches at the same time, making switch loss halve, quite smart idea.

Both outputs paralleled using seperate lowpass filters, and seperate "primary" windings on mains step up transformator
this way full power from amp board was possible.
Idea dropped : amp handle very bad peak currents, shut down and turn up slowly, and also very low output power at inductive loads
----

Back to full blown homemade again.

This time IR2104 fet drivers are used, and all N fets IRFZ44
Voltage stepup is still mains transformator

it is important to MEASURE the mAh content from recycled free cells,
(or even more important if you purchase them from ebay, since halve of the sellers are lying about mAh values,
always test carefully before you give feedback)
----
battery charger switchmode powersupply, compare cost and quality

Meanwell 176 grams versus Ebay type 111 grams
both are rated 2A load, 12V adjustable about +/- 1V
The meanwell type cost about 10 times as much

Meanwell Left, - Ebay type Right.

Ebay type, 60 mins, no load.

Ebay type, 45 mins, 1.78A load.

Meanwell 30 mins no load.

Meanwell, 45 mins load 1.78A
You get what you pay for as usual. due to ultra hot parts the cheap ebay type will have a much shorter lifetime.
simply halve the life-time pr 6 celcius temperature rise.
since the temperature difference is 141 - 61 = 80 celcius.
that is 8 times 10 C, so 8 times halve the life-time = 256 times.
The MTBF for the meanwell is rated 309700 hrs at full load, at 25 C ambient = 35 years.
The Ebay type 256 times less = 1209 hrs. note this compare is only fully true, incase the parts are all silicon,
the very hot parts of the ebay type are mostly resistors, and such parts handle better higher temperatures over time.
it is likely the ebay type will last longer, maybe even 3-6 months.
all in all a much better solution to use the propper designed meanwell type.
Only 10 times the cost = 256 times the life time.
----
Transformator matters
bla bla la la la
-----------------------------
Thomas Scherrer OZ2CPU and OZ5DZL 2016
We hope you found this page usefull, why not consider donate a bit.. see my contact page please.