Montering af PIC print i AP2000 UHF med Digitalfront

Syntese og Tx-VCXO print.
Skift X1 til 17.01666 MHz. (Sætter frek. område til 432-438 MHz)
Nogle er monteret med 18.8 Mhz i X1, denne giver OVERLIGGENDE VCO men ellers virker den lige så godt
Skift X3 til 10.7 MHz. (laver simplex)
Skift C51 til 10nF. (er normalt udklippet)

IC 1 modifikationer (MC145151) 12.5 KHz modifikation:
Fjern evt. lus fra ben 19 og skær ben 20 fri fra stel.
Nu kan disse bruges til "code 256" ben 19 og "code 512" ben 20
På begge ben monteres en 1 nF SMD til stel, se billede fig 1.
Kontroller at ben 5 og 6 svæver. Afklip lus mellem punkt A og C på oversiden af printet.
Monter 2 ledninger på ben 19 (code 256) og ben 20 (code 512) på 15 cm.
Disse ledninger kan med fordel have forskellig farve, så det er nemmere at skelne dem.

fig 1.

fig 1b.
Her ses hvordan de to ledninger let forbindes til det 41-polede frontstik, der er lige på den anden side af synt. boksen.
Ben 19 (code 256) fra PLL ic forbindes til ben 28 i stikket (her rød ledning). Dette signal kaldes også "spare out 2"
Ben 20 (code 512) fra PLL ic forbindes til ben 29 i stikket (her grå ledning). Dette signal kaldes også "spare out 1"
VCO C84
Underliggende med 17.0166 xtal:
C25 ændres til 4p7.
5p6 monteres parallelt med C4.
Overliggende med 18.8 xtal:
C25 ændres til 3p3.
3p3 monteres parallelt med C4.
Indstil display på 432.000 og juster VCO kondensatoren sådan at VCO spændingen er 1.3Volt DC
Skift derefter til 438.000 og check at VCO spændingen er ca 4.4 Volt DC
CPU FRONT - Computerprint D25A og D25B
Afmonter fronten: 4 skruer i siderne og flexprint fra expander print afmonteres forsigtigt.
Derefter afmonteres de 4 skruer der holder processorprintet, hvorefter det forsigtigt foldes op.
Fjern IC1 og IC4 (processor 80C39 og eprom 2732) - isæt det nye print med PIC processoren i stedet for disse 2 IC’er.
PIC-kortet lægges direkte på soklerne med PIC’en opad. Pres nu modstandsben ned gennem hullerne og ind i soklerne.
Til sidst afklippes modstandsbenene tæt og loddes.
Denne fremgangsmåde er at foretrække frem for at montere løse ben i printet
for herefter at afkorte og forsøge at presse alle ben ned i soklerne på en gang.
VOL fra PIC kortet forbindes til Volume signalet til fronten, ben 12 (her rød ledning)

fig 2.
Hvis dit Computerprint har nummer D25/6035.3 eller lign, er det lavet til at køre både med 24 og 28 bens EPROM'er
Derfor skal de to huller tætest på programerings stikket på PIC16 kortet ikke forbindes til EPROM sokkelen

Her ses de to frie huller
CPU FRONT - Expander print D24E
Fjern kode nøglen. Displayet og knapperne virker ikke når den er monteret,
med mindre du klipper modstand R29 på 1 Ohm der forsyner denne kode plug med 5v

Klip denne modstand, hvis du vil have kode plug'en monteret.
CPU FRONT - Toneprint D26B
Fjern IC5 / IC6 / IC7.
Lod ledning fra 1750 på PIC print til IC6 ben 1 på toneprint.
Afmonter relæ og diode D4. Monter P-kanal mos fet (IRF9540, IRF9530, IRF9520, IRF4905 eller lign. bedre end 0.6 Ohm)
og 100Kohm modstand som vist i tegning nedenunder.
Det er en god ide at vikle noget tape rund om FET'en før montage, for at modvirke kortslutninger.
Dette sparer 0.9 Watt varme fra kølepladen, samt 1.4 Watt forbrug. Se diagram før og efter FET


Hvis man kan skaffe en P-FET i SMD-220 hus er den faktisk meget bedre at montere
Lod en ledning fra transistor Q2 (BD238 eller 2N4918) Emitterben.
Denne ledning forbindes til en ny lyt på 2200uF, der monteres bagerst i hulrummet.
Se billede (CPU FRONT - Computerprint D25A) i øverste højre hjørne for at finde Q2.
Dette gør at der ikke kommer støj i højtaleren når der sendes. (normalt problem med CPU front)

Her ses hvordan lytten let monteres bag modtageren. Her er der brugt lidt dobbeltklæbende tape til at holde den store lyt fast med.
For at få lytten ind bag RX modulet, skal dette modul afmonteres.
Denne kondensator samt FET følger ikke med PIC printet, men skal skaffes lokalt eller bestilles ekstra.
TX-mixer UHF
Print C86, Skift C3 til 47p. (normalt er denne C3 udklippet)
Print B46, Skift C21 til 47p. (tit er denne C21 udklippet)
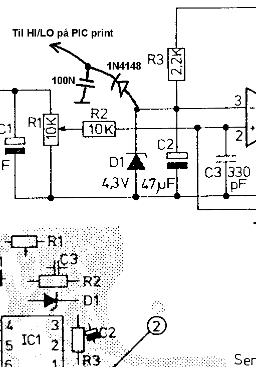
Sense amplifier for output power B57B1
Monter anoden fra en 1N4148 på katoden af D1.
Monter en 100nF på katoden af 1N4148 og til stel.
Monter en ledning fra denne kondensator og til HI/LO på det nye PIC print.


AF and squelch (modul C79B eller C79D)
Fjern C14.
Check at R16 er 100 Ohm
D1 SKAL klippes ud. (den der er forbundet til gaten på Q1)
Nu laver Audio kortet ikke selv SQ kontrol, MEN det klarer PIC'en ved at styre volumen til minimum på Block2 med et højt signal.

Billedet her viser dioden der skal klippes i modul C79D.
Hvis din højtaler giver lidt støj når SQ er lukket, så kan du montere en ekstra lille NPN transistor sådan:
Emitter til GND
Basen via en 10K til Block2 (4) terminalen
Collector forbindes til gaten på Q1 (BF244)


Her ses hvordan dette filter kan laves meget kompakt med 4 små SMD komponenter.
Selve pilot tonen indføres i sidste transistor trin, i modulations forstærker printet, MODUL C61C1. Se Diagram her

Modstanden på 33K er inde i krympeflexen, den gule ledning skal være så lang at man senere kan åbne CPU kortet.
