
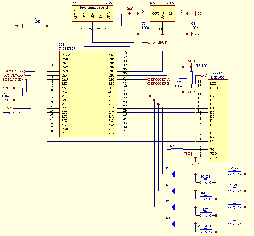
This schematic is not complete yet.

The C1 and C2 are SMD types soldered under the PIC

The 12.8Mhz Temperature Compensated Osillator is ripped from an old NOKIA NMT.

This nice coax cable and connector was also ripped from the old NMT phone

The PCB that holds a PIC16F877 note the place where the LCD Display flat cable will be soldered
CON1 = Programming, CON2 = Display, X1 = 4Mhz resonator
See the PCB File - Download Gerberfile

This nice litle display has 16 caracters in 2 lines with LED backlite (Made by POWERTIP)
Ordercode "PC1602LRU-KSO-H-Y2"
Read also about the rotary encoder that is used to adjust the frequency